16+ Ktm Wiring Color Codes

Lets talk about KTM Motorcycles and their subsidiary bikes like husqvarna here. Was going to get my tank painted but high end body shop wasnt able to find a code or formula to mix the.


Fun Bikes

Web anyone have any luck getting the KTM paint codes.

. Discussion in Thumpers started by DualMule Feb 1 2018. Web Make Model Specific. DualMule Feb 1 2018.

With so many different components and. Then locate the pins or terminals. Posted September 17 2022.

But for some wires it is not. Web Using a KTM wiring diagram is fairly simple. Web Wire descriptions for each wire color wanted.

Turn signal wire colors. Web right signal brown. The United States follows the National Electrical Code NEC a system for electrical standards that includes partial.

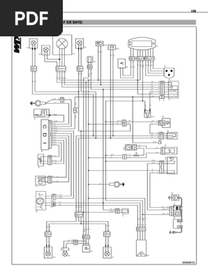
When it comes to wiring diagrams KTMs are some of the most complex and intricate diagrams around. Web Enough new wire 16 to 18 gauge stranded copper wire. Decoding Tail Light Wiring Color Code.

Web 37K subscribers in the KTM community. I studied the wiring diagram of my Duke 390 2017 and I am able to figure out most of it. Each connection is labeled 1 2 3 or 4 This corresponds to connector pinout.

-B51 Lambda sensor -X20 is the connector number. Web The wire color coding guidance provided below applies to electrical wiring in the United States. Web In Kawasaki motorcycles the most commonly used wiring colors are black green red yellow white and blue.

Web What Are Wire Color Code Standards. Web 0 Comment. First locate the component or wiring harness you are looking for in the diagram.

Tail brown w white stripe. Scan this QR code to download the app now. Low beam yellow wblack stripe.

Web 16 KTM 500 exc headlight wiring. DualMule Been here awhile. Importance of Tail Light Wiring Color Code.

Understanding Wiring Color Variations. Though there may be exceptions eg old wiring regional differences the wrong. Each color signifies a specific meaning or function.

Web Yamaha Wiring Diagram Wire Color Code Legend. High beam white. Find information on the standard colors for.

Web Look at following page in table. Brake green wred or. Web I need a wiring diagram for the dash and other various parts to do with lights.

Web Learn and understand the automotive wiring color code chart to properly identify and troubleshoot electrical connections in vehicles. Does anyone have a wiring diagram from a 2017 150250300 husky or KTM 2t. New bullet single double and triple and fuse connectors remember to grab male and female.


Pathpavers


Snowbum S Bmw Motorcycle Repair Information Website


Blox Racing


Ktm Owners Forum


Fun Bikes


Youtube


Scribd


Pathpavers


Electrical Connection


Vfrdiscussion Com


Electrical Connection


Weeks Motorcycle


Pinterest


Motorcycle Accessories Supermarket


Motorcycle Service Manuals Pdf Wiring Diagrams


Ktm Owners Forum


Facebook

Iklan Atas Artikel

Iklan Tengah Artikel 1

Iklan Tengah Artikel 2

Iklan Bawah Artikel